Sepetiniz Boş
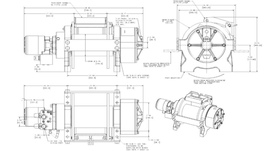
Vinç Türü:
HİDROLİK
Motor:
Hidrolik Motor
Çekme Kapasitesi:
(20.000Lbs)/9.072 Kg.
Ağırlık:
135 Kg.
Uzaktan Kumanda:
Hidrolik Valf
Fren :
Yay Uygulamalı Dsik Fren
Önerilen Akü:
650 CCA
Menşei:
USA
CE Standartları:
Tüm parçaları Avrupa standartlarına uygundur.
Ürün Kodu:
Warn 74750

.
