Sepetiniz Boş
seri sonu ürünler özel fiyat
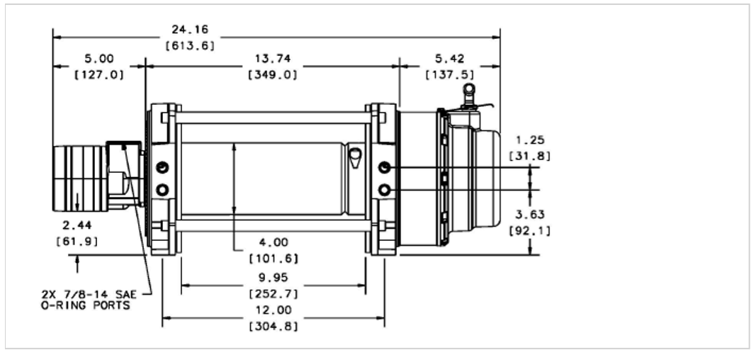
Vinç Türü:
HİDROLİK
Motor:
Hidrolik Motor
Çekme Kapasitesi:
(12.000Lbs)/5.443 Kg.
Ağırlık:
38,8 Kg.
Uzaktan Kumanda:
Hidrolik Valf
Fren :
Disk Fren Sistemi
Önerilen Akü:
650 CCA
Menşei:
USA
CE Standartları:
Tüm parçaları Avrupa standartlarına uygundur.
Ürün Kodu:
Warn 30285

.
