Sepetiniz Boş
seri sonu ürünler özel fiyat
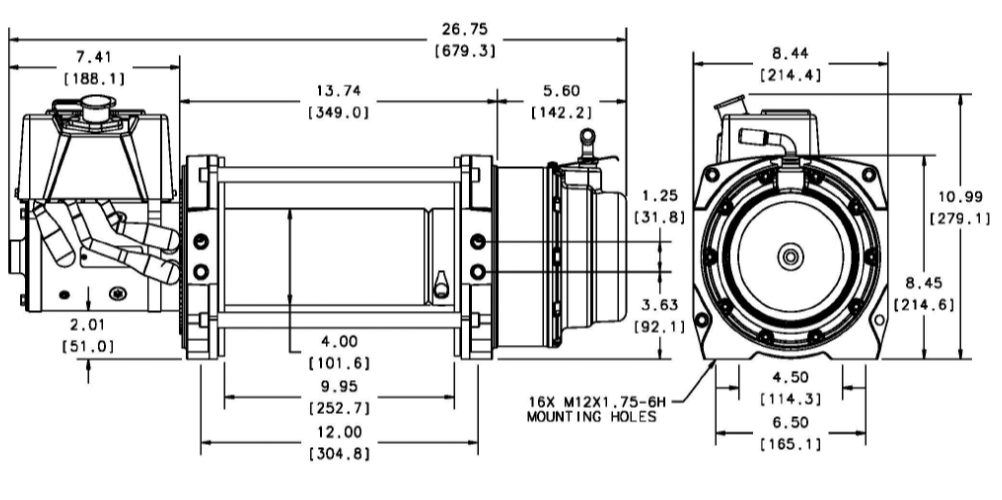
Vinç Türü:
24V ELEKTRİKLİ
Motor:
DC
Çekme Kapasitesi:
(12.000Lbs)/5.443 Kg.
Ağırlık:
45,8 Kg.
Uzaktan Kumanda:
10m.kablolu kumanda opsiyonel
Fren :
Disk Fren Sistemi
Önerilen Akü:
650 CCA
Menşei:
USA
CE Standartları:
Tüm parçaları Avrupa standartlarına uygundur.
Ürün Kodu:
Warn 30290

.
